BS-0-J5 * Diviseur vertical semi-universel
DESCRIPCIÓN
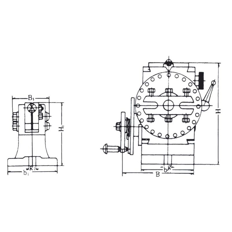
Le diviseur vertical peut diviser à n'importe quel angle indirect, indirect ou par différentes méthodes. La broche trempée et est rigidement attachée à un roulement à rouleau conique. L'essieu anéfinique est également tempéré. La tête rotative peut être bloquée sous n'importe quel angle de 10 ° à 90 ° avec une précision de réglage à la base qui assure une rotation lisse. Tous les modèles ont le nez de broche fileté et de 24 trous avec une boîte de séparation facile à conversion en indexation directe et rapide en nombres 2,3,4,6,8,12 et 24. Indexation facile de tous les nombres de 2 à 50 et de nombreux nombres de 52 à 380. Son précision précise, Un bon aspect et une structure forte assure une rotation lisse.
DESCARGAR FICHA TÉCNICA
4491001053.pdf
Mi Descargar ficha técnica del producto 4491001053
* Impuestos y transportes excluidos
| diviseur | 189 mm. |
|---|---|
| b | 140 mm. |
| trou | 173 mm. |
| trou | 100 mm. |
| diviseur | 160 mm. |
| b | 91 mm. |
| gag | 13 mm. |
| Diviseur de cône | Mt2 |
| Diviseur | 23,70 kg. |
| construite A1 BS-0 | 167 mm. |
| b1 BS-0 Corps | 80 mm. |
| H1 BS-0 Contrateps | 107,50 mm. |
| h Control BS-0 | 100 mm. |
| construite A1 BS-0 | 130 mm. |
| b1 BS-0 Corps | 92 mm. |
| body G1 BS-0 | 13 mm. |
¿Necesitas mas información?
Puedes llamarnos a nuestro número de teléfono: 93 861 60 76
O bien, enviarnos un e-mail: